收藏花季网站传媒收藏花季网站传媒聯係花季网站传媒聯係花季网站传媒花季网站传媒-網站地圖網站地圖

您好!歡迎來到無錫花季网站传媒智能裝備有限公司!
全國谘詢熱線: 15052200196

花季网站传媒

自動檢測設備定製廠家花季网站传媒-花季APP下载安装定製廠家

花季网站传媒-推動中國基礎

在線測孔機-配套機械手方案

返回列表 來源: 花季网站传媒 發布日期: 2019.01.28

設計概述

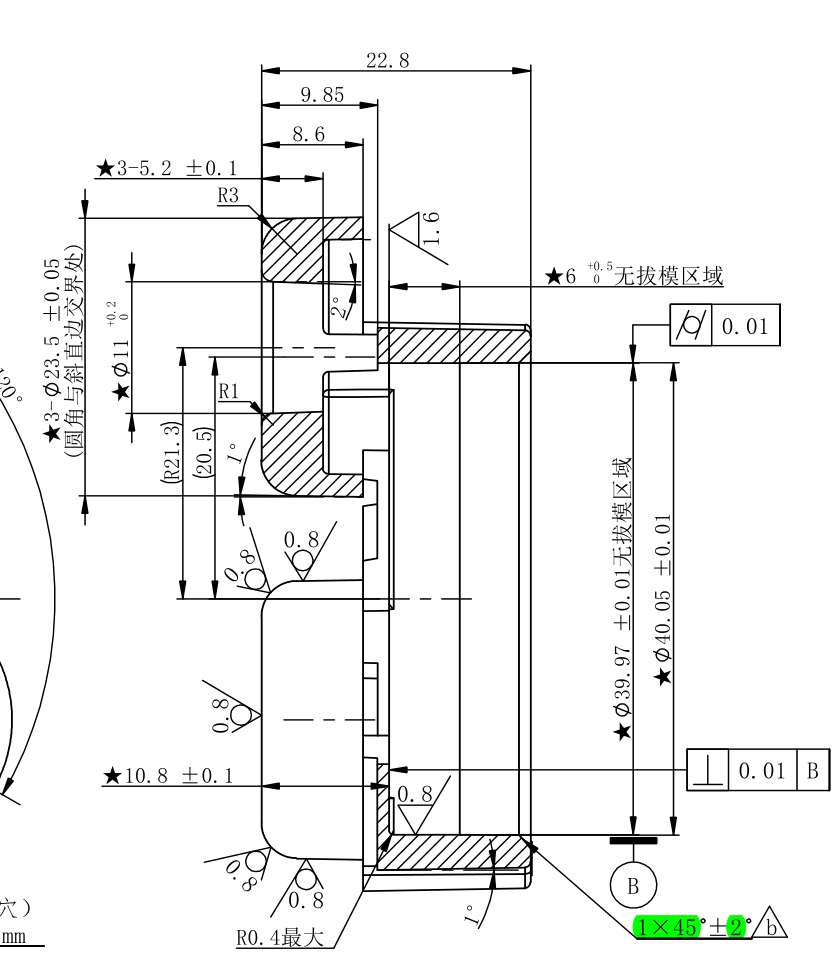
檢測下圖工件的內徑尺寸Φ39.97 +/-0.01  一個截麵 (截麵位置可調)


被測產品及具體尺寸

檢測要求:

1.檢測上圖工件的內徑尺寸Φ39.97 +/-0.01  一個截麵 (截麵位置可調)。

2.自動校零。

3.超差報警或通訊桁架機械手剔除。


設備參數:
1.設備采用接觸式位移傳感器,傳感器分辨率0.1微米,檢測設備綜合精度3微米。 

2.節拍3秒/件。

3. 檢測數據可和機床通訊(留有通訊接口)。

4. 不同產品更換工裝可以通用。

5.機械手上下料。

6.自動校準。

7.安全防護係統。

設備參數


工藝流程說明:

機械手上料至待測工位→光電傳感器檢測到工件→單軸移送機構將工件移送至檢測工位→三點測量機構下降測量  →PLC讀取位移傳感器數值並與設定公差值比較 → NG品與機械手通訊進行剔除→ OK品與機械手通訊放入成品盒→一個循環結束。


整體結構圖

自動校準:

1、開機後自動校準;

2、設備在運行一段時間後(設定時間/數量),移送機構將校準件移送至測量工位,設備進行自動校零。


外徑、內徑(孔)、高度等核心檢測工位詳
外徑、內徑(孔)、高度等核心檢測工位詳解

服務熱線13585048988

谘詢熱線

15052200196
網站地圖